Jan Ernst Matzeliger


Jan Ernst Matzeliger (Plantage Twijfelachtig, Suriname, 15 september 1852 – Lynn (Massachusetts), 24 augustus 1889) was een Surinaamse uitvinder. Hij staat te boek als de uitvinder van de schoenzwikmachine.
Leven
Matzeliger werd in 1852 als zoon van Ernst Carel Martzilger jr. (1823–1864) en de slavin Aletta op de koffieplantage Twijfelachtig aan de Cotticarivier geboren. Zijn vader was op het moment van zijn geboorte eigenaar van deze plantage. Maar als kind van een slavin werd men automatisch ook in slavernij geboren. Enkele jaren na zijn geboorte verhuisde hij van de plantage naar het huishouden van zijn tante in Paramaribo.
In 1862, een jaar voor de emancipatie, de afschaffing van de slavernij in Suriname, werd hij door zijn tante Maria Jacoba Henriette Martzilger, zuster van zijn vader, gemanumiteerd. Bij zijn vrijkoop verkreeg hij de naam Jan Ernst Martzilger. Vanaf dan, op zijn tiende, was hij leerling op de koloniale scheepswerf van Paramaribo, waar hij zijn aanleg voor techniek en werktuigbouw etaleerde.
Op zijn 19e verliet hij Suriname en werkte een aantal jaren op een Nederlands koopvaardijschip, waarna hij zich vestigde in de Verenigde Staten. In Philadelphia (Pennsylvania) leerde hij het schoenenvak. Hij veramerikaniseerde er zijn naam van Martzilger naar Matzeliger.
Hij werd in 2023 een maand lang geëerd op de Iconenkalender van NAKS.[1]
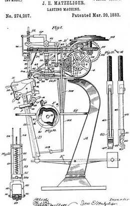
Uitvinding
Matzeliger staat te boek als de uitvinder van de schoenzwikmachine, waarmee op een aanzienlijk goedkopere manier dan daarvoor, bovenschoen en schoenzool met elkaar verenigd worden. Daarmee werden schoenen betaalbaar voor een aanzienlijk grotere groep mensen dan de toenmalige ”happy few”. Op 20 maart 1883 werd Matzeliger op deze machine octrooi verleend.
Drie weken voor zijn 37e verjaardag overleed Matzeliger te Lynn aan tuberculose. In 1985 vernoemde de stad Lynn een brug naar de uitvinder. Te zijner nagedachtenis gaven de Amerikaanse posterijen op 15 september 1991 een speciale postzegel uit.
Literatuur
- Bruijning, C.F.A. en Voorhoeve, J. (red.): Encyclopedie van Suriname, Amsterdam/Brüssel 1977, p. 398.
- Jiawan, Kavita: Schoenmaker, blijf bij je zwikmachine, in: Parbode, nr. 21, januari 2008, p. 30-31.
- ↑ Parbode, Presentatie NAKS-Iconenkalender 2024: ‘NAKS srefi na wan icoon’, 15 maart 2024