78xx-spanningsregelaar

Een 78xx-spanningsregelaar is een elektronische component die gebruikt wordt om van een variabele spanning, of van een spanning die hoger is dan de gewenste spanning, een vaste spanning te maken.
Toepassingsgebieden
Bij vele elektronische schakelingen is het vereist een constante voedingsspanning te hebben. Hiervoor wordt vaak een adapter gebruikt die van netspanning een bepaalde gelijkspanning maakt. Vele adapters bevatten echter een goedkope transformator waardoor de spanning met grote belasting veel lager kan zijn dan de spanning met kleine belasting. Niet elke elektronische schakeling kan deze grote spanningsverschillen verdragen. Door een 78xx-IC in de schakeling op te nemen is van de variabele (of te hoge) spanning van de adapter een vaste lagere spanning te maken. Hoe groot de vaste spanning is hangt af van het type 78xx-spanningsregelaar dat er gebruikt wordt. Een 7805 geeft bijvoorbeeld 5 volt aan de uitgang, een 7809 geeft 9 volt.
De 78xx-familie
Er zijn verschillende types 78xx-spanningsregelaars, elk met een verschillende uitgangsspanning. Ook is er nog een opdeling volgens de maximale stroom die er verwerkt kan worden. Zo kan de 78Lxx-serie maar 100 mA leveren, de 78xx-serie kan 1 ampère leveren en de 78Sxx 2 ampère.
Onderstaande tabel toont een overzicht van alle 78xx-types die beschikbaar zijn.
| Uuit [V] | Iuit-max = 100mA | Iuit-max = 1 A | Iuit-max = 2 A |
| 2 | 78L02 | - | - |
| 3.3 | 78L33 | 7833 | - |
| 5 | 78L05 | 7805 | 78S05 |
| 6 | 78L06 | 7806 | - |
| 7,5 | - | - | 78S75 |
| 9 | 78L09 | 7809 | 78S09 |
| 10 | 78L10 | - | 78S10 |
| 12 | 78L12 | 7812 | 78S12 |
| 15 | 78L15 | 7815 | 78S15 |
| 18 | 78L18 | 7818 | 78S18 |
| 24 | - | 7824 | 78S24 |
Verder bestaat er nog een variant op de 78xx-spanningsregelaars, dit zijn de 79xx-spanningsregelaars, die identiek zijn aan de 78xx-spanningsregelaars, maar deze leveren een negatieve spanning.
Algemene eigenschappen
Een 78xx-spanningsregelaar bevat ook enkele beveiligingen. Zo zal hij uitschakelen als de opgenomen stroom meer dan zijn opgegeven maximum bedraagt of als hij warmer wordt dan 150°C. Dit heeft als voordeel dat het IC niet beschadigd raakt als er te veel stroom afgenomen wordt. Het IC laten afkoelen of de belasting wegnemen zal ervoor zorgen dat de spanningsregelaar weer ingeschakeld wordt. De aangelegde voedingsspanning mag maximaal 35 volt bedragen en moet minimaal 3 volt hoger zijn dan de uitgangsspanning. Het IC verbruikt zelf 6 mA, ook als er geen belasting is aangesloten.
Werking
Opgenomen vermogen
Een 78xx-spanningsregelaar wordt tussen de voeding en de elektronische schakeling gezet, daarom noemt men dit een serie-spanningsregelaar. De stroom van de schakeling moet dus door de spanningsregelaar gaan. Door middel van deze stroom, de spanning aan de ingang en de spanning aan de uitgang kan men met de volgende formule het door de 78xx gedissipeerde vermogen berekenen:
Als de 78xx een groot vermogen moet dissiperen (omzetten in warmte) moet er rekening mee gehouden worden dat men een koelplaat van de juiste grootte bevestigt.
Spanningsstabilisatie
Om aan spanningsstabilisatie te doen gebruikt de 78xx intern een zenerdiode.

Als men een zenerdiode in ster aansluit (zie schema 1), in serie met een weerstand aan een bron, dan zal er een spanning over de zenerdiode staan. Deze spanning verandert vrijwel niet bij een wisselende voedingsspanning, mits de voedingsspanning hoog genoeg is. Hoe groot deze spanning is hangt af van het type zenerdiode dat er gebruikt is. Men kan deze schakeling echter niet te zwaar belasten, omdat de spanning dan zou zakken.
Om dit probleem op te lossen breidt men de schakeling uit met een transistor (zie schema 2).

De basis van de transistor wordt aangesloten tussen de zenerdiode en de weerstand. Bij een transistor is de basis-emitterspanning altijd ongeveer gelijk aan 0,7 volt. Dit heeft als gevolg dat Uuit ongeveer 0,7 volt lager zal liggen dan UZener. De stroom van de belasting zal nu niet meer door de zenerschakeling lopen maar door de transistor. De zenerspanning zal dus constant blijven.
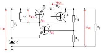
Stroombeperking
De 78xx-regelaar heeft enkele ingebouwde veiligheden. Zo zal hij ervoor zorgen dat de maximumstroom nooit overschreden kan worden. Schema 3 geeft een principeschema van een spanningsregelaar met stroombegrenzing.

Weerstand R1 en zenerdiode Z vormen het basisschema van de zenerstabilisatie uit schema 1.
Stel dat Uuit stijgt, dan zal via de spanningsdeler (R4 en R5) Ub2 ook stijgen waardoor T2 meer in doorlaat gaat. Hierdoor zal er meer stroom door R2 lopen waardoor UR2 stijgt. Aangezien Uin een vast potentiaal is zal Ub1 dalen waardoor T1 meer in sper gaat. Hierdoor zal Uuit dalen.
Als Uuit daalt dan zal Ub2 dalen waardoor T2 meer in sper gaat. Dit heeft als gevolg dat de stroom door R2 zal dalen waardoor UR2 daalt. Dit zal ervoor zorgen dat Ub1 stijgt en T1 meer in doorlaat gaat wat er dan weer voor zorgt dat Uuit stijgt. De uitgangsspanning zal zich dus stabiliseren rond één bepaalde spanning.
Wordt Iuit te groot dan zal UR3 groter worden dan 0,7 volt. Hierdoor zal T3 meer in doorlaat gaan waardoor de stroom door R2 en de spanning UR2 stijgt. Dit zal zorgen voor een daling van Ub1, T1 zal meer in sper gaan waardoor de uitgangsspanning afneemt.
De schema's zijn principeschema's, het schema van een echte 78xx-regelaar is een stuk complexer dan de schema's die hier gegeven zijn.
Eenvoudig 78xx-schema
Schema 4 is een typisch basisschema voor het gebruik van een 78xx-spanningsregelaar (in dit schema het type 7805).

Links in het schema staat Uin, hier wordt een voeding op aangesloten, deze voeding mag een wisselspanning of gelijkspanning leveren. Dit omdat er een diode (bv: type 1n4007) in het schema is opgenomen die zorgt voor een enkelzijdige gelijkrichting. De diode zorgt er ook voor dat, als de gelijkspanning verkeerd wordt aangesloten, de voeding niet zal beschadigen. De condensatoren C1, C2, C3, en C4 zijn afvlakcondensatoren. De spanningsregelaar VR1 zorgt ervoor dat de spanning Uuit steeds 5 volt is.
Afvlakcondensatoren
Een afvlakcondensator is te herkennen doordat deze parallel met de voeding staat. Zo zijn alle condensatoren in het schema afvlakcondensatoren. Toch zijn twee types te onderscheiden; de afvlakcondensatoren voor laagfrequente rimpel en die voor hoogfrequente rimpel. De condensatoren zorgen er ook voor dat stroompieken opgevangen worden zonder dat er een spanningsdip aan de uitgang van de voeding ontstaat.
Wegwerken van laagfrequente rimpel
De condensatoren C1 en C4 zorgen samen voor het wegwerken van de laagfrequente rimpel in het schema. Voor deze condensatoren worden meestal elektrolytische condensatoren (elco's) genomen omdat deze een relatief grote capaciteit hebben. Volgende figuur laat zien wat deze afvlakcondensatoren doen met een wisselspanning aangesloten volgens schema 4:

De volle lijn geeft de spanning voor de 7805 weer als de condensator C1 niet gebruikt wordt. De stippellijn geeft het spanningsverloop aan als C1 wel gebruikt wordt. De condensator zal zich telkens opnieuw opladen wanneer de ingangsspanning Uin groter wordt dan Uc1. Als de voedingsspanning lager wordt dan Uc1 dan zal de condensator zich ontladen over de belasting, de spanning zal dus lichtjes dalen tot wanneer Uin terug groter wordt dan Uc1. Hoe groter de waarde van C1 genomen wordt, hoe meer de spanning een perfecte gelijkspanning zal benaderen. Een richtlijn voor het berekenen van de waarde van een afvlakcondensator voor laagfrequente rimpel is dat men per opgenomen ampère 2200 µF capaciteit voorziet. Dit schema is dus berekend op ongeveer 100 mA.
Wegwerken van hoogfrequente rimpel
Door allerlei effecten (instraling, snel schakelende belasting e.d.) kan er (hoogfrequente) ruis opgevangen worden die de gelijkspanning vervuilt. Dit kan zorgen voor een onzekere werking van de aangesloten componenten. De opgevangen ruis zorgt ervoor dat er een wisselspanningscomponent wordt toegevoegd aan de gelijkspanning.

Het is dus van groot belang dat de voedingsspanning vrijgemaakt wordt van deze vervuiling, dit kan gebeuren door een condensator te plaatsen die de hoogfrequente spanningen kortsluit. In schema 4 zorgen C2 en C3 ervoor dat de wisselspanningscomponent wordt kortgesloten naar de massa.