Afvlakking


Afvlakking is een methode in de elektrotechniek waarmee de fluctuaties in een gelijkspanning (de rimpelspanning) verkleind worden.
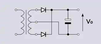
Afvlakking wordt meestal toegepast na het gelijkrichten van wisselspanning. Het afvlakken gebeurt met een afvlakcondensator. Deze condensator kan gezien worden als een opslagreservoir. Als de spanning stijgt, zal de condensator de energie van de bron opslaan en weer vrijgeven aan de belasting als de spanning daalt. Op deze manier wordt de rimpel verkleind. De uiteindelijke grootte van de rimpel hangt af van de capaciteit van de condensator, de bron en de grootte van de belasting.