Windketeleffect
Het windketeleffect (Engels: Windkessel effect; Duits: Windkesseleffekt) verwijst in de fysiologie, meer specifiek de hemodynamica, naar het fenomeen dat het pulsatiele karakter van de bloedstroom door de geleidingsvaten wordt omgezet naar een gestagere stroming. Windketelmodellen, of kortweg windketels, beschrijven de algemene eigenschappen van de ingangsimpedantie van het vaatstelsel, met behulp van fysiologisch interpreteerbare parameters.[1]
Geschiedenis

William Harvey (1628) ontdekte dat de schommelingen in de bloedstroom een direct verband hadden met de samentrekkingen van het hart, maar dat die schommelingen in de perifere vaten sterk gedempt waren.[2] De eerste bloeddrukmeting werd verricht door Stephen Hales (rond 1735) in een slagader van een paard. Hij merkte op dat de schommelingen eveneens golden voor de bloeddruk en dat dit fenomeen afhankelijk was van de elasticiteit van de grote slagaderen.[2][1] Volgens sommigen was E.H. Weber de eerste die de dempende functie van de grote slagaderen in kwalitatieve zin vergeleek met de windketel (Duits: Windkessel) van een brandweerpomp.[3] Otto Frank heeft in 1899 het eerste windketelmodel (bestaande uit twee elementen) gepubliceerd waarmee de effecten van weerstand en elasticiteit op de bloedstroom ook kwantitatief konden worden bestudeerd.[4][5] Vooral het drukverloop in de aorta tijdens de diastole kon daarmee goed worden verklaard. Voor het drukverloop tijdens de systole en het bestuderen van golftransmissie waren meer elementen nodig.
Windketelmodellen
De oorspronkelijke windketelmodellen, zoals die van de fysioloog Otto Frank, waren vloeistofmechanische en wiskundige modellen. Tegenwoordig worden ook elektronische modellen gebruikt, met uniforme, wrijvingsloze transmissielijnen.[2] Door de invoer van elektronische modellen en de vooruitgang in de computertechnologie, kunnen complexe berekeningen van de ingangsimpedanties nu gemakkelijk worden uitgevoerd en vergeleken worden met gemeten waarden. De ingangsimpedantie beschrijft het systeem volledig en kan goed benaderd worden met een vier-elementenmodel.[1] Om de ingangsimpedantie te berekenen van het systeem, moet eerst een fourieranalyse worden uitgevoerd. De druk gedeeld door de flow uit dezelfde harmonische geeft de impedantiemodulus voor die harmonische. Het faseverschil tussen de druk- en flow-signalen geven de fasehoek van de impedantie. Voor hogere harmonischen schommelt de ingangsimpedantie rond een bepaalde waarde. Dit is de karakteristieke impedantie. Bij de "nulde" harmonische (geen oscillatie) is de impedantie gelijk aan de totale perifere weerstand. Voor lage frequenties is de ingangsimpedantie vooral afhankelijk van de compliantie. Als voor de karakteristieke impedantie een weerstand wordt gebruikt, is er bij de lagere harmonischen een overschatting van de compliantie. Om hiervoor te corrigeren wordt soms een traagheid (spoel) in het systeem geïntroduceerd.
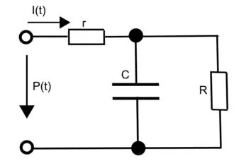
Twee elementen
.png)
Voor de studie van het drukverloop in de aorta tijdens de diastole, volstaat een model dat bestaat uit een compliantie en een weerstand. Frank beoogde met dit model het hartminuutvolume (Engels: Cardiac Output, CO) te bepalen. Aan de hand van de polsgolfsnelheid (PWV) in de aorta kan de compliantie bepaald worden via de vergelijking van Bramwell en Hill.
Daarin staat voor de bloeddichtheid (ongeveer 1,06 g/ml), voor de compliantie, voor de volumeverandering en voor de drukval over het vaattraject. Uit het exponentiële drukverval tijdens de diastole kan de arteriële tijdsconstante () worden bepaald (zie elektrisch schakelschema 2).
Daarbij staat voor de diastolische aortadruk, voor de eindsystolische aortadruk en voor de totale perifere weerstand (Engels: Total Peripheral Resistance, verderop ). En uit de wet van Poiseuille volgt dat:
Daarin staat voor de gemiddelde slagaderlijke bloeddruk (Engels: Mean Arterial Pressure).
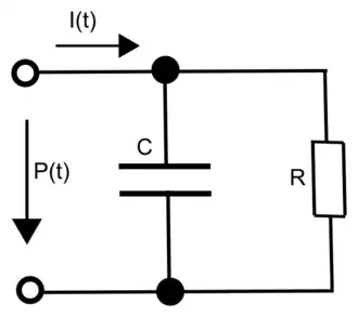
Drie elementen

Voor bepalingen tijdens de systole volstaat het twee elementenmodel niet. Vanuit bepalingen van de ingangsimpedantie (Zin) werd duidelijk dat met het twee elementenmodel de Zin voor hogere harmonischen naar nul ging, terwijl de gemeten Zin om een bepaalde waarde (de karakteristieke impedantie) bleef schommelen. Dit heeft ertoe geleid dat een tweede weerstand aan het model werd toegevoegd. In grote vaten, waar de weerstand laag is, heeft de karakteristieke impedantie een reële waarde en kan benaderd worden door een weerstand.
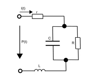
Vier elementen

Omdat voor lagere harmonischen de Zin bij een drie elementenmodel nog steeds erg afwijkt van de gemeten Zin, werd een traagheid aan het model toegevoegd. Of deze traagheid het beste in serie of parallel geschakeld kan worden aan de karakteristieke impedantie is nog niet geheel duidelijk.[6] De Zin van het vier elementenmodel komt zeer goed overeen met de gemeten Zin.
Toepassingen
Windketelmodellen worden vooral gebruikt voor hemodynamische studies van het arteriële (en veneuze) stelsel. Ook vinden zij toepassing bij de ontwikkeling en het testen van kunstmatige hartkleppen. De windketelmodellen laten zien dat de perifere vaatweerstand, de karakteristieke impedantie en de totale arteriële compliantie de hoofdbestanddelen zijn die het arteriële systeem beschrijven. In verband met het risico op hart- en vaatziekten zijn en worden er technieken ontwikkeld om deze parameters op een niet-invasieve manier te bepalen.
Beperkingen
In Windketelmodellen worden relevante parameters als afzonderlijke onderdelen toegevoegd, terwijl in de werkelijke bloedsomloop de eigenschappen en functies van de vaten geleidelijk veranderen. Daarom kan met windketelmodellen de golftransmissie en het golfverloop niet bestudeerd worden. Verdeling van de flow over het vaatstelsel en veranderingen daarin kunnen ook niet bekeken worden. De effecten van lokale vasculaire veranderingen, zoals veranderingen in de compliantie van de aorta terwijl andere slagaders onaangetast zijn, kunnen niet beoordeeld worden. De druk gemeten net na de karakteristiek impedantie (als reële weerstand) komt niet overeen met de druk in de meer distale vaten van het vaatstelsel.[1]
- ↑ a b c d Westerhof N, Lankhaar JW, Westerhof BE. The arterial Windkessel. Med Biol Eng Comput. 2009 Feb;47(2):131-41
- ↑ a b c Segers P. Proefschrift: Biomechanische modellering van het arterieel systeem voor de niet-invasieve bepaling van de arteriële compliantie. Universiteit van Gent (1997), België
- ↑ Wetterer E, Kenner T. Grundlagen der Dynamik des Arterienpulses. Springer (1968), Berlin
- ↑ Frank O. Die Grundform des arteriellen Pulses. Z Biol. 1899;37:483–526
- ↑ Sagawa K, Lie RK, Schaefer J. Translation of Otto Frank's paper "Die Grundform des Arteriellen Pulses" Zeitschrift für Biologie 37: 483-526 (1899). J Mol Cell Cardiol. 1990 Mar;22(3):253-4
- ↑ Segers P, Rietzschel ER, De Buyzere ML, et al. Three- and four-element Windkessel models: assessment of their fitting performance in a large cohort of healthy middle-aged individuals. Proc Inst Mech Eng H. 2008 May;222(4):417-28