Testmaat
Testmaat is een begrip dat gebruikt wordt bij het testen van software. Het hoort bij padendekking; dat is een dekkingsvorm die toepasbaar is voor elk schema waarin op gestructureerde wijze beslispunten en paden verwerkt zijn. Het doel van deze dekkingsvorm is het afdekken van variaties in het procesverloop die mogelijk zijn.
Voor het afdekken zijn verschillende niveaus mogelijk. Dit wordt weergegeven in vorm van Testmaat-<N>, waarbij 1 de allerlichtste vorm is. Het kan in principe oplopen tot oneindig. Een hogere testmaat impliceert een hogere dekkingsgraad. Met een hogere testmaat vind je fouten die optreden bij een specifieke combinatie van processtappen.
In Test Management Approach wordt de volgende definitie gegeven voor Testmaat-N:
Testmaat-N is de zekerheid dat alle combinaties van N achtereenvolgende paden afgedekt zijn.
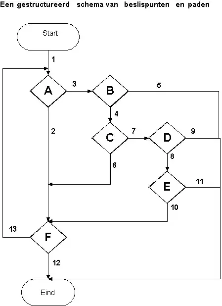
Voorbeeld
Testmaat-1
Met testmaat-1 is elk pad een keer doorlopen. Uit het voorbeeld kunnen dit dan zijn:
Testgeval 1: 1-2-13-3-4-6-12
Testgeval 2: 1-3-5
Testgeval 3: 1-3-4-7-8-10-13-3-4-7-9
Testgeval 4: 1-3-4-7-8-11
Testmaat-2
Om testmaat-2 te bepalen, is er de volgende techniek:
1. Bepaal per beslispunt alle in- en uitgaande paden
| Beslispunt | Paden IN | Paden UIT |
|---|---|---|
| A | 1, 13 | 2, 3 |
| B | 3 | 4, 5 |
| C | 4 | 6, 7 |
| D | 7 | 8, 9 |
| E | 8 | 10, 11 |
| F | 2, 6, 10 | 12, 13 |
2. Maak combinaties met per ingaande pad elk mogelijk uitgaande pad
| Beslispunt | Padcombinaties |
|---|---|
| A | 1-2 ; 1-3 ; 13-2 ; 13-3 |
| B | 3-4 ; 3-5 |
| C | 4-6 ; 4-7 |
| D | 7-8 ; 7-9 |
| E | 8-10 ; 8-11 |
| F | 2-12 ; 2-13 ; 6-12 ; 6-13 ; 10-12 ; 10-13 |
3. Stel de logische testgevallen op
(streep uit lijstje van stap 2 na gebruik van combinatie deze weg)
Testgeval 1 = 1-2-13-3-4-6-13-2-12
Testgeval 2 = 1-3-5
Testgeval 3 = 1-3-4-7-8-10-13-3-4-7-9
Testgeval 4 = 1-3-4-7-8-11
Testgeval 5 = 1-3-4-6-12
Testgeval 6 = 1-3-4-7-8-10-12
Testmaat-3
Testmaat-3 en hoger kan als volgt afgeleid worden door de uitwerking van de voorgaande testmaat te nemen en deze uit te breiden met de derde mogelijke stap volgens het schema.
| Beslispunt | Padcombinaties |
|---|---|
| A | 1-2-12; 1-2-13; 1-3-4 ; 1-3-5 ; 13-2-12 ; 13-2-13 ; 13-3-4 ; 13-3-5 |
| B | 3-4-6 ; 3-4-7 ; 3-5 |
| C | 4-6-12 ; 4-6-13 ; 4-7-8 ; 4-7-9 |
| D | 7-8-10 ; 7-8-11 ; 7-9 |
| E | 8-10-12 ; 8-10-13 ; 8-11 |
| F | 2-12 ; 2-13-2 ; 2-13-3 ; 6-12 ; 6-13-2 ; 6-13-3 ; 10-12 ; 10-13-2 ; 10-13-3 |
De combinaties 3-5, 7-9, 8-11, 2-12, 6-12 en 10-12 hebben geen uitbreiding omdat ze naar het einde gaan.