De telegraafvergelijkingen zijn twee gekoppelde differentiaalvergelijkingen voor de elektrische spanning en de elektrische stroom als functie van tijd en plaats langs een transmissielijn. De twee telegraafvergelijkingen samen beschrijven hoe elektrische signalen zich in transmissielijnen voortplanten. De theorie is uitwerkt door Oliver Heaviside op basis van de Wetten van Maxwell.
De vergelijkingen
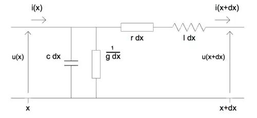
De telegraafvergelijkingen ontstaan door toepassing van de vergelijkingen van Maxwell op transmissielijnen met twee geleiders. De lijn wordt opgedeeld gedacht in stukjes ter lengte
, bestaande uit een in serie geschakelde weerstand
en een zelfinductie
, en een parallel geschakelde geleiding
en een capaciteit
, volgens onderstaan schema:

Voor de spanning
en de stroomsterkte
als functie van de plaats
en de tijd
, gelden de volgende gekoppelde partiële differentiaalvergelijingen.


Daarin zijn
en
de gedistribueerde lijnparameters. Deze stellen respectievelijk per lengte-eenheid de capaciteit, de inductie, de weerstand en de geleiding tussen de beide geleiders voor.
Vanwege de lineariteit van de vergelijkingen kunnen we gebruikmaken van het superpositiebeginsel, waardoor voor een bepaalde cirkelfrequentie
de vergelijkingen reduceren tot het tweetal gekoppelde differentiaalvergelijkingen voor de amplituden
en
van spanning en stroom als functie van de plaats
:


Het is gebruikelijk de 4 lijnparameters weer te geven in de twee complexe parameters
, de karakteristieke impedantie
en
, de voortplantingscoëfficiënt.
Men schrijft nog:
,
zodat
de spanning voorstelt die de stroom
over de karakteristieke impedantie opwekt. De vergelijkingen reduceren dan verder tot:


Met als oplossing:

,
waarin de constanten bepaald worden door de amplitude
van de bronspanning en de belastingsimpedantie
aan het uiteinde van de lijn (
):


Uit deze randvoorwaarden volgt:


Met behulp van de reflectiecoëfficiënt
aan het begin van de lijn, gegeven door:
,
kan eenvoudiger geschreven worden:
,
.
Dit is ook direct in te zien, daar de amplitudes van heen- en teruggaande golf zich aan het begin van de lijn verhouden als
.