Ster-driehoekschakelaar




Een ster-driehoekschakelaar is een handbediende schakelaar die gebruikt wordt om grotere driefasige asynchrone motoren stapsgewijs in te schakelen.
Een motor met een klein vermogen kan direct worden ingeschakeld met behulp van een driepolige schakelaar, of door middel van een contactor (ook wel magneetschakelaar genoemd). Grotere motoren mogen niet direct ingeschakeld worden, omdat de inschakelstroom zo groot kan zijn dat dit een spanningsdip geeft op het net, wat hinderlijk kan zijn voor omliggende bewoners of bedrijven. De aanloopstroom kan worden beperkt door middel van de ster-driehoekschakeling, waarbij de motor eerst in ster, en vervolgens in driehoek wordt geschakeld.
Werking
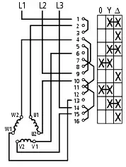
De uiteinden van de drie wikkelingen bevinden zich in het aansluitkastje van de motor, en zijn daar in dit geval niet onderling verbonden. De ster-driehoekschakelaar zorgt voor de juiste doorverbinding ervan, zowel voor de ster- als voor driehoekstand. Hiervoor gebruikt men veelal een nokkenschakelaar, of een walsschakelaar: dit laatste type is voorzien van een handwiel, en heeft verende contactvingers en een schakelwals met contactstroken.
Behalve met handbediende schakelaars kan de motor ook worden aangestuurd door middel van (terugverende) drukknoppen in combinatie met drie magneetschakelaars. Bij drukknopbediening is het mogelijk het schakelproces automatisch te laten verlopen. De drie hoofdcontacten van de magneetschakelaars bevinden zich in het hoofdstroomcircuit en schakelen rechtstreeks de aangesloten motor. Een van deze magneetschakelaars zorgt voor het in- en uitschakelen, de overige twee dienen om de motor in ster of in driehoek te schakelen.
De drukknoppen zijn evenals de hulpcontacten en spoelen van de magneetschakelaars opgenomen in het stuurstroomcircuit. De diverse contacten in dit hulpstroomcircuit sturen het schakelproces, en bewerkstelligen onder meer het opkomen en afvallen van de verschillende magneetschakelaars. Zo is er een contact dat na bediening van de startknop de functie ervan overneemt door deze te overbruggen. Andere hulpcontacten hebben de taak om de magneetschakelaars onderling te vergrendelen. Een tijdvertraagd contact zorgt voor het automatisch overschakelen van ster naar driehoek. Met de stopknop, die voorzien is van een verbreekcontact, wordt de overbrugging van de startknop ongedaan gemaakt en zal de motor uitschakelen.
De besturingstaak kan ook verricht worden door middel van een PLC; deze bevat een microprocessor die op basis van via de ingangen verkregen informatie, de uitgangen ervan aanstuurt. Een PLC werkt meestal met een lage spanning (24 V). De vereiste componenten van een drukknopbediende ster-driehoekschakeling, zoals de veiligheden en contactoren, zijn doorgaans ondergebracht in een schakelkast. De benodigde schakelaars en eventuele signaallampen, die de bedrijfstoestand aangeven, zijn meestal in de deur van deze kast aangebracht.
Doorschakelen
Bij een handbediende schakelaar dient men er voor te zorgen dat bij het doorschakelen van ster naar driehoek het toerental hoog genoeg is opgelopen, en zo dicht mogelijk het nominaal toerental benadert. Men kan aan het gonzen van de motor horen of de snelheid nog toeneemt. Het overschakelen naar de volgende stand behoort daarbij snel, en met één beweging te gebeuren. Deze motoren kunnen in geval de netspanning wegvalt onverhoeds weer gaan aanlopen in driehoekstand als de spanning terugkeert. Dit kan bezwaarlijk zijn, niet alleen vanwege de veiligheid; door de plotseling grote belasting kunnen de beveiligingen aanspreken. Een motor met drukknopbediening kent dit probleem niet, omdat de magneetschakelaars bij spanningsuitval af zullen vallen, en opnieuw bekrachtigd moeten worden om de motor in bedrijf te stellen.
Beveiliging
De installatie wordt in de regel beveiligd door smeltveiligheden, dit kunnen zowel schroef- als mespatronen zijn. Deze veiligheden beschermen de motor niet tegen overbelasting, daarvoor dient een in het hoofdstroomcircuit aanwezige (instelbare) thermische beveiliging. Het thermisch verbreekcontact ervan, in het stuurstroomcircuit, zorgt voor het uitschakelen van de motor. In plaats daarvan kan ook een thermisch/magnetische beveiliging worden toegepast; bij overbelasting van de motor verbreekt het thermisch contact de stroomkring, terwijl bij kortsluiting de magnetische beveiliging in werking treedt.