Stelling van Norton

De stelling van Norton stelt dat in een lineair elektrisch netwerk een of meer spannings- en stroombronnen tezamen met een of meer weerstanden op twee aansluitpunten die de enige verbinding vormen met het overige netwerk, elektrisch equivalent is aan één (ideale) stroombron afgesloten met één weerstand.
Een spanningsbron van bijvoorbeeld 1,5 volt met daarmee in serie een weerstand van 1 kOhm is elektrisch equivalent met een stroombron van 1,5 mA afgesloten met een weerstand van 1 kOhm.
De methode om de grootte van de stroombron en zijn afsluitweerstand te bepalen is als volgt: de waarde van de afsluitweerstand is de uitgangsweerstand van het netwerk met de spanningsbron(nen), de waarde van de stroombron de kortsluitstroom. De uitgangsweerstand van een netwerk is de open spanning gedeeld door de kortsluitstroom.
Dit theorema is genoemd naar de ingenieur Edward Lawry Norton (1898-1983).
Voorbeeld
Om de toepassing van de stelling te verduidelijken, volgt een voorbeeld. De eerste stap bestaat erin om de kortsluitstroom te bepalen. In praktijk gebeurt dat met opeenvolgende toepassing van de stroomdeler. De tweede stap bestaat erin om de inwendige weerstand te bepalen. In praktijk gebeurt dat door opeenvolgende toepassing van de serieschakeling en parallelschakeling van weerstanden of impedanties. Uit die twee volgt dan het Norton-equivalent.

De oorspronkelijke schakeling 
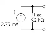
De kortsluitstroom bedraagt 3,75 mA 
De inwendige weerstand bedraagt 2 kΩ 
Het Norton-equivalent
Zie ook
- Netwerkanalyse (elektrotechniek)
- Stelling van Thévenin, de overeenkomstige stelling voor spanningsbronnen
- Wetten van Kirchhoff
- Wet van Ohm