Station Yamato-Saidaiji
| Station Yamato-Saidaiji | ||||
|---|---|---|---|---|
| 大和西大寺駅, Yamato-Saidaiji-eki | ||||
| ||||
Stationsgebouw met taxistandplaats
| ||||
| Plaats | ||||
| Prefectuur | Nara | |||
| Stad | Nara | |||
| Adres | 1-1, Saidaiji Kunimichō Itchōme | |||
| Coördinaten | 34° 40′ NB, 135° 34′ OL | |||
| Geschiedenis | ||||
| Opening | 30 april 1914 | |||
| Info | ||||
| Reizigers | 23.550 per dag (2021) | |||
| Perronsporen | 6 | |||
| Uitbater | Kintetsu | |||
| Kaart | ||||
![]() | ||||
| ||||
Station Yamato-Saidaiji (Japans: 大和西大寺駅; Yamato Saidaiji-eki) is een spoorwegstation in de Japanse stad Nara aan de Naralijn, Kiotolijn en Kashiharalijn van spoorvervoerder Kintetsu.[1] Het station heeft zes sporen aan drie eilandperrons, onderling verbonden door middel van een overdekte loopbrug.
Lijnen
De volgende lijnen doen het station aan:
| 1, 2 | ■ Nara-lijn | richting Nara |
|---|---|---|
| ■ Kashihara-lijn | richting Tenri, Yamato-Yagi, Kashiharajingu-mae en Ise-Shima | |
| 3, 4, 5 | ■ Naralijn | richting Namba, Fuse, Amagasaki en Kobe Sannomiya |
| ■ Kioto-lijn | richting Kioto en Tambabashi | |
| 6 | ■ Kashihara-lijn | richting Tenri, Yamato-Yagi en Kashiharajingu-mae |
| ■ Nara-lijn | Stoptreinen en sneltreinen richting Ōsaka Namba |
Alle treinsoorten (stoptreinen, sneltreinen, etc.) stoppen op dit station; de Kanko Limited Express (Aoniyoshi) echter alleen in de spitsrichting.[2] Ook de Shimakaze (Sightseeing Express), gereden met een Kintetsu 50000-panoramatrein, stopt op dit station.[2]
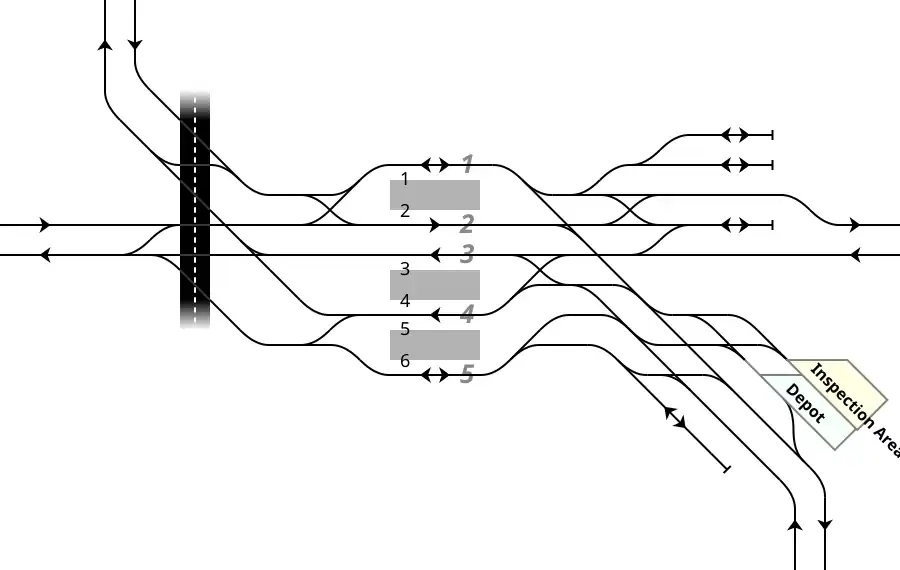
Sporenplan
Het sporenplan van het station ziet er als volgt uit:[3]
Tot 1987 waren er slechts 5 sporen aan 2 eilandperrons en 1 zijperron (spoor 5). In 1987 werd op de plaats van spoor 5 een derde eilandperron toegevoegd met - naast spoor 5 - een nieuw spoor 6.
Faciliteiten
De stationshal beschikt over de volgende faciliteiten:
Geschiedenis

Het station werd op 30 april 1914 geopend door de Osaka Electric Railway onder de naam Saidaiji.[6] In de begindagen was het slechts een klein station waar alleen korte treinen stopten.[7][8] Op 9 oktober 1920 werd gestart met goederenvervoer van en naar het station.[9][10] In 1926 werd een onderstation nabij het station gebouwd[10][11], wat in 1940 en 1963 (op een nieuwe locatie) werd vergroot.[6]
In december 1932 werd de naam gewijzigd in Daiki-Saidaiji.[6] In 1941 kreeg het station zijn huidige naam.
Op 23 december 1970 werd een nieuw stationsgebouw geopend, met een winkelcentrum op de begane grond en woningen erboven.[6][11] Op 5 juli 1975 werd een grote fietsenstalling geopend.[12][13]
Tussen eind 1980 en begin 1990 werd het huidige stationsgebouw gebouwd. Ook werd een derde eilandperron toegevoegd, waardoor perron 5 geen zijperron meer was.
Op 11 september 2009 opende het winkelcentrum Time's Place Saidaij op de tweede verdieping van het stationsgebouw. Er zijn in totaal 32 winkels en restaurants gevestigd. Ook is er een filiaal van supermarktketen FamilyMart gevestigd. Daarnaast werden er liften geplaatst, zowel van en naar het winkelcentrum als van en naar de perrons. De bouw van het winkelcentrum kostte in totaal 3 miljoen yen. Het winkelcentrum kan worden bereikt zonder door de controlepoortjes te hoeven gaan.
Op 19 april 2019 werd een vrije doorgang in het stationsgebouw geopend, zodat passanten niet meer bij de controlepoortjes hoeven in- en uit te checken of via de overweg het spoor hoeven over te steken om de andere kant van de stad te bereiken.[14][15][16] Op 1 april 2021 werd het stationsplein aan de zuidzijde van het station geopend.[17]
Bussen
Er liggen bushaltes aan weerszijden van het station (noord- en zuidzijde). Vóór 1 april 2021 lag er alleen een bushalte aan de noordzijde.[18] Nagenoeg alle buslijnen worden gereden door Nara Kotsu.
- De bushalte aan de noordzijde wordt aangedaan door onder meer buslijnen 11, 12, 14, 72 en 73 van Nara Kotsu;
- De bushalte aan de zuidzijde wordt aangedaan door onder meer buslijnen 160 en 161 van Nara Kotsu, en een snelbusdienst naar Luchthaven Itami die door zowel Nara Kotsu als Hankyu Kanko wordt gereden.[19][20]
Tijdens evenementen in het Heijō-paleis vertrekken er vanaf de zuidzijde tevens gratis pendelbussen naar het paleis.[21]
Stationsomgeving
- NaRaFamily
- Kintetsu Department Store Nara
- ÆON Nara
- Sanwa City Saidaiji
- Akishino-dera
- Heijō Palace
- Winkelcentrum Kintetsu Saidaiji
- Winkelcentrum Saidaiji Daini
- Winkelcentrum Time's Place Saidaij
- Saidaiji-politiebureau
- Kintetsu Saidaiji-inspectiedepot
Incidenten
Op 8 juli 2022 werd de voormalige Japanse minister-president Shinzo Abe tijdens een verkiezingsbijeenkomst bij de uitgang aan de noordzijde van het station om het leven gebracht.[22]
Galerij
-
Ingang noordzijde -
Stationshal met controlepoortjes -
Winkelcentrum Time's Place Saidaij op de tweede verdieping
-
Filiaal van FamilyMart in Time's Place Saidaij -
Spoor 3 en 4 -
Blik op de perrons -
De Shimakaze (Sightseeing Express) op het station -
Kintetsu Saidaiji-inspectiedepot nabij het station
Externe link
Bronnen
- Dit artikel of een eerdere versie ervan is een (gedeeltelijke) vertaling van het artikel Yamato-Saidaiji Station op de Engelstalige Wikipedia, dat onder de licentie Creative Commons Naamsvermelding/Gelijk delen valt. Zie de bewerkingsgeschiedenis aldaar.
- Dit artikel of een eerdere versie ervan is een (gedeeltelijke) vertaling van het artikel 大和西大寺駅 op de Japanstalige Wikipedia, dat onder de licentie Creative Commons Naamsvermelding/Gelijk delen valt. Zie de bewerkingsgeschiedenis aldaar.
- ↑ Yamato-Saidaiji Station | Japan Experience. www.japan-experience.com. Geraadpleegd op 3 augustus 2022.
- ↑ a b Gearchiveerde kopie. Gearchiveerd op 26 juni 2021. Geraadpleegd op 5 augustus 2022.
- ↑ (ja) Kawashima, Ryōzō (1993). Zenkoku Tetsudō Jijō Dai-kenkyū: Ōsaka Toshin-bu, Nara Hen. Sōshisha. ISBN 978-4-7942-0498-1.
- ↑ Kintetsu Timetable 17 March 2018 Timetable Change Issue, p.70 - p.87
- ↑ "HANDBOEK 2010", Kinki Nippon Railway General Planning Department, september 2010
- ↑ a b c d "Kinki Nippon Railway 100 Year History", Kinki Nippon Railway Company, december 2010
- ↑ "Walking on Kintetsu's Abandoned Lines: 40 Abandoned Lines of Nostalgia: An Inspection Visit" door Koichi Tokuda, uitgegeven door JTB Publishing, 1 december 2006, ISBN 9784533065576
- ↑ "Kinki Nippon Railway: 80 Years of History", Kinki Nippon Railway, 1 oktober 1990
- ↑ "30-jarige geschiedenis van Osaka Electric Railway Company", Osaka Electric Railway, 30 december 1940
- ↑ a b "50 jaar Kinki Nippon Railway", Kinki Nippon Railway, 16 september 1960
- ↑ a b "Kinki Nippon Railway: Recente 20-jarige geschiedenis", Kinki Nippon Railway, 1 oktober 1980
- ↑ "40th Anniversary: Nara Kotsu's Recent Decade", Nara Kotsu, 1 maart 1984
- ↑ "Geschiedenis van Nara Kotsu: 50th Anniversary", Nara Kotsu. 31 maart 1994
- ↑ "Pedestrian passage across the station completed, new central ticket gate at Yamato Saidaiji Station", 19 april 2020.
- ↑ 大和西大寺駅の南北自由通路を部分開通しました - 奈良市ホームページ. web.archive.org (3 mei 2020). Gearchiveerd op 3 mei 2020. Geraadpleegd op 4 augustus 2022.
- ↑ Wayback Machine. web.archive.org. Gearchiveerd op 21 april 2020. Geraadpleegd op 4 augustus 2022.
- ↑ 南口広場 4月1日供用開始 : ニュース : 奈良 : 地域 : 読売新聞オンライン. web.archive.org (7 april 2021). Gearchiveerd op 7 april 2021. Geraadpleegd op 4 augustus 2022.
- ↑ https://web.archive.org/web/20210324120547/https://www.narakotsu.co.jp/news/news_1145.html
- ↑ https://web.archive.org/web/20210227133820/https:// www.narakotsu.co.jp/news/news_1132.html
- ↑ (ja) 【大阪(伊丹)空港-奈良線】ダイヤ改正及び停留所の新設・廃止について(4月1日実施)※3月19日追記有り | お知らせ. 空港リムジンバス | 阪急観光バス. Geraadpleegd op 5 augustus 2022.
- ↑ アクセス|『天平たなばた祭り』~平城京天平祭 夏~|奈良県奈良市・平城宮跡. web.archive.org (22 april 2018). Gearchiveerd op 22 april 2018. Geraadpleegd op 5 augustus 2022.
- ↑ (en) Man taken into custody after former Japanese PM Abe Shinzo collapses | NHK WORLD-JAPAN News. NHK WORLD. Geraadpleegd op 3 augustus 2022.

