Small outline integrated circuit


Een Small Outline Integrated Circuit (SOIC) is een Surface Mounted Integrated Circuit IC-behuizing die ongeveer 30-50% minder ruimte inneemt dan een equivalent dual in-line-behuizing (DIP). De dikte is 70% minder dan een dual in-line-behuizing. Ze zijn over het algemeen verkrijgbaar in dezelfde pin-outs als hun tegenhanger DIP IC's. De manier van het benoemen van de behuizing is SOIC of SO gevolgd door het aantal pinnen. Een 14-pins 4011 zou bijvoorbeeld SOIC-14- of SO-14-behuizing worden genoemd.
JEDEC- en JEITA / EIAJ-normen
De term 'Small Outline' verwijst eigenlijk naar IC-behuizingsnormen van ten minste twee verschillende organisaties.
- JEDEC:
- JEITA (voorheen EIAJ, wat door sommige leveranciers nog steeds wordt gebruikt):
- Halfgeleiderapparaatpakketten. (EIAJ Type II is 5,3 mm lichaamsbreedte en iets dikker en langer dan JEDEC MS-012.)[3]
Merk op dat hierdoor SOIC niet specifiek genoeg is om onderdelen te beschrijven die uitwisselbaar zijn. Veel elektronicawinkels vermelden onderdelen in beide pakketten als SOIC, of ze nu verwijzen naar de JEDEC- of JEITA / EIAJ-normen. De bredere JEITA / EIAJ-pakketten komen vaker voor met IC's met een hoger aantal pinnen, maar er is geen garantie dat een SOIC-pakket met een willekeurig aantal pinnen de ene of de andere is.
TI [4] en Fairchild verwijzen echter consequent naar JEDEC-onderdelen met een breedte van 3,9 en 7,5 mm als "SOIC" en EIAJ type II-onderdelen met een breedte van 5,3 mm als "SOP".
Fysieke eigenschappen
Het SOIC is geen garantie dat -pakket is korter en smaller dan DIP's, de zij-aan-zijtoonhoogte is 6 mm voor een SOIC-14 (van leadtip tot leadtip) en de breedte is 3,9 mm. Deze afmetingen verschillen afhankelijk van de SOIC in kwestie, en er zijn verschillende varianten.
SOIC (JEDEC)
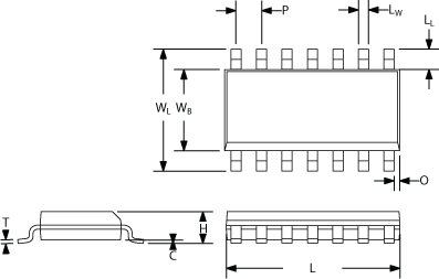
De onderstaande afbeelding toont de algemene vorm van een SOIC-small pakket, met de belangrijkste afmetingen. De waarden van deze afmetingen (in mm) voor gangbare SOIC's worden weergegeven in de tabel.

| C | Speling tussen IC-behuizing en PCB |
| H. | Totale hoogte behuizing |
| T | Pindikte |
| L. | Totale lengte behuizing |
| L W | Pinbreedte |
| L L | Pinlengte |
| P. | Aftand tussen pinnen (hart tot hart) |
| W B | IC body breedte |
| W L | Breedte behuizing inclusief pinnen |
| O | Afstand tussen einde behuizing en pin |
| Behuizing | W B | W L | H. | C | L. | P. | L L | T | L W | O |
|---|---|---|---|---|---|---|---|---|---|---|
| SOIC-8-N | 3.8-4.0 | 5.8–6.2 | 1,35-1,75 | 0,10-0,25 | 4.8-5.0 | 1,27 | 0,41 (1,04) | 0,19-0,25 | 0,35-0,51 | 0,33 |
| SOIC-14-N | 3.8-4.0 | 5.8–6.2 | 1,35-1,75 | 0,10-0,25 | 8,55-8,75 | 1,27 | 1,05 | 0,19-0,25 | 0,39-0,46 | 0,3–0,7 |
| SOIC-16-N | 3.8-4.0 | 5.8–6.2 | 1,35-1,75 | 0,10-0,25 | 9,8-10,0 | 1,27 | 1,05 | 0,19-0,25 | 0,39-0,46 | 0,3–0,7 |
Vergelijkbare IC-behuizingen
- Plastic small-outline package (PSOP)
- Shrink small-outline package (SSOP)
- Thin small outline package (TSOP)
- Thin shrink small outline package (TSSOP)
Zie ook
Externe links
- ↑ (en) Standard - Plastic Dual Small Outline (SO) Gull Wing, 1.27 mm Pitch Package. www.jedec.org. Geraadpleegd op 29 juni 2021.
- ↑ (en) Standard - Plastic Dual Small Outline, 1.27 mm pitch, 7.50 mm Body Width Rectangular Package Family. www.jedec.org. Geraadpleegd op 29 juni 2021.
- ↑ Halfgeleiderapparaatpakketten
- ↑ (en) TI Small Outline Packages. Texas Instruments. Geraadpleegd op 2 juni 2020.