Operationele versterker

V−: inverterende ingang
Vout: uitgang
VS+: +voeding
VS−: -voeding
Een operationele versterker (of opamp van het Engelse operational amplifier) is een actieve elektronische component, meestal in de vorm van een geïntegreerde schakeling, met een zeer hoge versterkingsfactor . Opamp-schakelingen worden in zeer veel toepassingen gebruikt, bijvoorbeeld als versterker, filter, "ideale" gelijkrichter, differentiator, integrator etc.
Opamp-schakelingen worden zeer veel gebruikt vanwege hun parametriseerbare eigenschappen. De parametrisering gebeurt hoofdzakelijk door de keuze van de componenten die de tegenkoppeling beïnvloeden.
Zonder omliggende componenten is de uitgangsspanning het versterkte verschil van de spanningen op de beide ingangen:
Ideale opamp
Een ideale operationele versterker heeft:
- Een oneindig grote openlusversterking
- Een oneindig hoge ingangsimpedantie
- Een uitgangsimpedantie gelijk aan 0, en kan dus oneindig veel stroom en spanning leveren
- Een oneindig grote bandbreedte of frequentiebereik
- Een oneindig grote common-mode rejection ratio (CMRR)
- Een ruisbijdrage van 0
Reële opamp
In de praktijk zijn de eigenschappen niet ideaal. Een gangbaar type kan bijvoorbeeld de volgende eigenschappen hebben:
- Openlusversterkingsfactor niet groter dan circa 105,
- Ingangsimpedantie niet groter dan enkele tientallen MΩ (mega-ohm)
- Ingangsstroom in de orde van enkele nA (nano-ampères)
- Uitgangsimpedantie rond de 100 Ω (ohm).
- Bandbreedte niet groter dan enkele tientallen kHz (kilohertz)
- Beperkte CMRR
De maximale uitgangsamplitude wordt in ieder geval beperkt door de aangelegde voedingsspanning(en). Lang niet alle opamps zijn in staat hun uitgangen tot aan de voedingsspanning(en) uit te sturen (rail-to-rail).
Basisschakelingen met opamps
Inverterende versterker

Deze schakeling heeft de volgende eigenschappen:
- Versterkingsfactor:
- Ingangsimpedantie:
- Uitgangsimpedantie: laag
Werking: Door de zeer grote spanningsversterking van de opamp zal zonder tegenkoppeling (negatieve terugkoppeling) een geringe spanning tussen de beide ingangen de uitgang tot dicht bij de voedingsspanning sturen. De tegenkoppeling werkt dit tegen. De opamp stuurt de uitgang tot het punt waarop zoveel stroom door gaat als nodig is om de spanning op de inverterende ingang gelijk te maken aan die op de niet-inverterende ingang. en vormen een soort hefboom rond het spanningsniveau op de inverterende ingang. Dat punt wordt - ook bij de hierna beschreven niet-inverterende versterker - wel een virtueel aardpunt genoemd. Deze term is misschien verwarrend. Bedoeld wordt dat het punt het spanningsniveau aan de niet-inverterende ingang volgt waardoor ingangsstromen zoals die door een ingangssignaal op de inverterende ingang worden veroorzaakt naar dit relatief constante "aardpunt" lopen. De "hardheid" van het virtuele aardpunt wordt natuurlijk beperkt door de gelijk- en wisselspanningskarakteristieken van de schakeling met niet in de laatste plaats de opamp.
In formules:
Omdat erg groot is, geldt bij goede benadering:
Niet-inverterende versterker

Eigenschappen:
- Versterking:
- Ingangsimpedantie: zeer hoog
- Uitgangsimpedantie: laag
Werking: De weerstanden en vormen samen een spanningsdeler die ervoor zorgt dat op de inverterende ingang dezelfde spanning komt te staan als op de niet-inverterende ingang.
In formules:
Omdat erg groot is, geldt bij goede benadering:
Spanningsvolger (buffer)

Eigenschappen:
- Versterking:
- Ingangsimpedantie: zeer hoog
- Uitgangsimpedantie: laag
Werking: Een spanningsvolger is een niet-inverterende versterker met versterkingsfactor 1. Hij werkt als impedantie-omvormer; van een hoge (ingangs)impedantie naar een lage (uitgangs)impedantie. Op die manier wordt vermeden dat een signaalbron belast wordt door een daaropvolgende schakeling.
Sommator

Een sommator telt een aantal signalen ieder met een eigen weegfactor bij elkaar op. Het is eigenlijk een uitbreiding van de inverterende versterker. Het aantal ingangen is uitbreidbaar.
De stroom door de som van de stromen door de drie ingangsweerstanden, en omdat , is
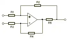
Differentiële versterker

Voor de versterkerschakeling zoals hiernaast afgebeeld, geldt:
- ,
zodat
In het speciale geval dat en is:
en werkt de schakeling als verschilversterker die het verschil tussen de spanningen en versterkt met een factor .
Stroombron

De differentiële versterker kan met een weerstand worden uitgebreid tot bidirectionele stroombron. De uitgangsstroom vloeit door de meetweerstand en zal door de twee spanningsdelers en in vaste relatie worden gehouden met de verschilspanning aan de beide ingangen.
Voor de schakeling zoals hiernaast afgebeeld, geldt:
Omdat
- ,
volgt
Voor de keuze en is dan:
De stroom door is constant met een waarde enerzijds bepaald door de weerstanden en anderzijds instelbaar via de ingangsspanningen.
Integrator

Bij deze integrator vindt terugkoppeling plaats via een condensator. De integrator staat bekend als millerintegrator, omdat ze berust op het zogenaamde millereffect. Om bij een gelijkblijvende spanning op de ingang de verschilspanning op nul volt te houden, zal de integrator een elektrische stroom naar de condensator sturen waarvoor geldt:
deze stroom gaat ook door de weerstand , zodat
Dus
of
De integrator wordt in de meet- en regeltechniek toegepast, en in het verleden ook in analoge computers. Een van de toepassingen is een zaagtandgenerator, die een zaagtandvormig signaal produceert, dat bijvoorbeeld gebruikt wordt als tijdbasis in een oscilloscoop. Daartoe wordt de ingangspanning constant gehouden en de condensator periodiek ontladen. Gedurende de tijd dat de condensator wordt geladen, stijgt de spanning over de condensator lineair met de tijd.
Als een extra weerstand parallel aan de condensator wordt geplaatst, ontstaat een zgn. tamme integrator. Deze werkt als een laagdoorlaatfilter.
Differentiator

Bij de differentiator wordt net zoals bij de integrator een condensator toegepast, alleen niet in de terugkoppelweg, maar aan de ingang. Wanneer er een spanningsverandering aan de ingang optreedt, zal er een laad- of ontlaadstroom door de condensator lopen. Voor de uitgangsspanning geldt:
De differentiator differentieert de ingangsspanning.
De differentiator wordt, net als de integrator, toegepast in de meet- en regeltechniek, en in het verleden ook in analoge computers.