OF-poort
De OF-poort is een logische poort met twee of meer ingangen en één uitgang. De logische toestand van de uitgang is uitsluitend 1, als minstens één ingang 1 is.
In een transistor-schakelcircuit (zonder relais, bijvoorbeeld een IC) wordt een OF-poort altijd opgebouwd met een NAND-schakeling als basis. Hier worden dan nog eens twee inverters voor de ingangen gezet, waardoor er een OR-werking ontstaat. Hiervoor zijn dus altijd minimaal vier transistors nodig.
Booleaanse overdrachtsfunctie
De booleaanse overdrachtsfunctie van een OF-poort is als volgt gedefinieerd:
Voluit geschreven:
Waarheidstabel voor een poort met 2 ingangen
| Ingangen | Uitgang | |
|---|---|---|
| P1 | P2 | Q |
| 0 | 0 | 0 |
| 0 | 1 | 1 |
| 1 | 0 | 1 |
| 1 | 1 | 1 |
Waarheidstabel voor een poort met 3 ingangen
| Ingangen | Uitgang | ||
|---|---|---|---|
| P1 | P2 | P3 | Q |
| 0 | 0 | 0 | 0 |
| 0 | 0 | 1 | 1 |
| 0 | 1 | 0 | 1 |
| 0 | 1 | 1 | 1 |
| 1 | 0 | 0 | 1 |
| 1 | 0 | 1 | 1 |
| 1 | 1 | 0 | 1 |
| 1 | 1 | 1 | 1 |

Elektronische implementatie
OR-poorten worden, meestal in groepen of in combinatie met andere logische schakelingen, als geïntegreerde schakeling uitgevoerd. Meestal is het positieve logica; een logische 1 correspondeert met een hoge spanning. Het type 7432 uit de TTL-serie 74xx is een voorbeeld van een viervoudige OR met elk twee ingangen.
Uitvoering
Uitvoering met schakelaars
In de schakeling met relais of maakschakelaars is de stroomkring met de contacten gesloten wanneer minstens één relais/schakelaar bekrachtigd is. Positieve logica: 1 = stroomvoerend.

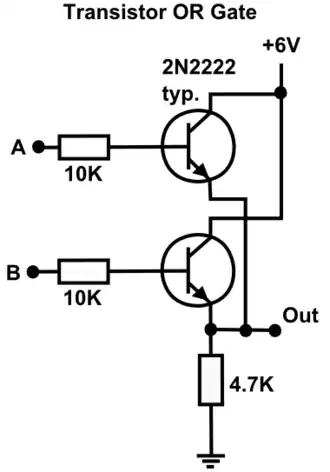
Uitvoering met transistoren
Indien een van beide ingangen onder spanning staan, laat een van beide transistoren stroom door en ontstaat een uitgangsspanning.
