Elektromotor


Een elektromotor is een machine die elektrische energie omzet in mechanische energie waarmee een werktuig kan worden aangedreven. Elektromotoren worden onderverdeeld in gelijkstroom- en wisselstroommotoren. Behalve de gebruikelijke motoren die een roterende beweging leveren, zijn er ook lineaire motoren.
Geschiedenis en ontwikkeling
Principe


De omzetting van elektrische energie in mechanische energie door middel van elektromagnetisme werd voor het eerst gedemonstreerd door de Britse wetenschapper Michael Faraday in 1821.[1] Bij zijn proef maakte het uiteinde van een vrij hangende geleider contact met een kwikplas waarin een permanente magneet was geplaatst. Op het moment dat door de geleider een stroom liep voerde de geleider een draaiende beweging rondom de magneet uit.
Deze elektromotor is de eenvoudigste uitvoering van een homopolaire motor. Een verbeterde vorm hiervan is het wiel van Barlow. Vanwege hun primitieve constructie konden deze elektromotoren alleen voor demonstratieve doeleinden worden gebruikt. Voor eventuele praktische toepassingen zijn ze ongeschikt.
In 1827 begon de Hongaar Ányos Jedlik te experimenteren met elektromagnetisch draaiende toestellen, die hij bliksem-magnetische zelf-rotor noemde. Hij gebruikte het apparaat voor instructieve doeleinden op de universiteit. In 1828 demonstreerde hij het eerste toestel dat de drie basiscomponenten van de gelijkstroommotor bevatte: stator, rotor en commutator. Ook zijn elektromotor had verder geen praktische toepassing, waarop zijn kennis in de vergetelheid raakte.
Eerste elektromotoren
De eerste commuterende gelijkstroommotor die in staat was een werktuig aan te drijven, werd in 1832 uitgevonden door de Britse wetenschapper William Sturgeon. In navolging van Sturgeons werk werd een verbeterde gelijkstroommotor gebouwd door de Amerikaan Thomas Davenport, met de bedoeling deze voor praktische doeleinden te gebruiken. Zijn in 1837 gepatenteerde elektromotor draaide met 600 omwentelingen per minuut en dreef lichte machinewerktuigen en een drukpers aan.
Vanwege de hoge kosten van de zinkelektrodes die gebruikt worden in de batterijen, was zijn motor commercieel niet succesvol en Davenport ging failliet. Vele uitvinders volgden Sturgeon en Davenport in de ontwikkeling van de elektromotor, maar allen liepen tegen hetzelfde probleem aan: de hoge kosten van energie uit batterijen.
De moderne gelijkstroommotor werd in 1873 bij toeval (her)ontdekt door Hippolyte Fontaine en Zénobe Gramme. Bij het parallel schakelen van twee Gramme-dynamo's ging de ene dynamo als motor functioneren, elektrisch aangedreven door de andere. De Gramme-machine groeide zo uit tot de eerste, succesvolle industriële elektromotor.
In 1888 vond Nikola Tesla de eerste praktische inductiemotor uit, die gevoed werd vanuit een tweefasig wisselstroomnet. Tesla zette zijn werk met de wisselstroommotor in de jaren daarna voort bij Westinghouse Company. Onafhankelijk van Tesla's onderzoek, ontwikkelde Michail Doliwo-Dobrowolski rond dezelfde tijd (1888) de asynchrone draaistroommotor met kortsluitanker.
Werking
De werking van een elektromotor is gebaseerd op elektromagnetisme. De motor bestaat uit een stator en een rotor, die in de stator kan draaien. Van deze twee is er in elk geval één uitgevoerd als elektromagneet. Afhankelijk van het type motor kan de ander uitgevoerd zijn als permanente magneet, elektromagneet of slechts van magnetisch materiaal gemaakt zijn. Door de krachtwerking van magnetische polen op elkaar, of door inductiewerking, gaat de rotor draaien.
Iedere elektromotor werkt ook als dynamo, de draaiende motor wekt stroom op. Deze stroom werkt de voedingsstroom tegen.
De weerstand van een elektromotor hoeft niet bijzonder hoog te zijn en bij het inschakelen zal er dan ook een hoge stroom gaan lopen. De motor gaat nu draaien en als dynamo werken. De opgewekte stroom loopt in tegengestelde richting en de nettostroomsterkte wordt dus minder. In het ideale geval zal de motor op volle snelheid gaan draaien, de opgewekte stroom is gelijk (maar tegengesteld) aan de voedingsstroom en er loopt helemaal geen stroom meer. In de praktijk, en vooral als de motor belast wordt, zal de motor iets langzamer draaien, waardoor de opgewekte stroom iets lager is dan de voedingsstroom.
Houdt men de motor vast, zodat hij niet kan draaien, dan kan de voedingsstroom tot gevolg hebben dat de motor in rook opgaat.
Tijdens het opstarten loopt er door een motor dus een hogere stroom dan tijdens het bedrijf (de aanloopstroom). Een zware motor wordt daarom soms met een lagere spanning opgestart, vaak met een ster-driehoekschakeling, en op een trage zekering aangesloten.
Warmteontwikkeling
De meest voorkomende oorzaak van falen van elektromotoren is een te grote warmteontwikkeling. De temperatuur van de motor wordt te hoog, waardoor de lagers het kunnen begeven, de windingen kortsluiting kunnen veroorzaken of de magneten permanent gedemagnetiseerd raken en daarmee hun kracht verliezen.[2]
Indeling
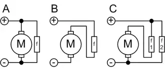
Gelijkstroommotor met commutator
Om de draaiing van de motor mogelijk te maken moeten bij een gelijkstroommotor met borstels de polen van de rotor omgekeerd worden bij elke halve omwenteling (of vaker als de rotor en stator uit meer dan twee delen, de collectoren, bestaat). Deze verandering van polariteit wordt verzorgd door de commutator en koolborstels. De motor zal verder doordraaien als de richting van de stroom die erdoorheen vloeit, wordt omgekeerd.

B: serie
C: compound
De motor kan zijn uitgevoerd als serie- of shuntmotor, waarbij de veld- en rotorspoelen respectievelijk in serie en parallel met elkaar geschakeld zijn. Ook een combinatie van beide is mogelijk, de z.g. compoundmotor.
Seriemotor

Bij de seriemotor staat de bekrachtigingsspoel in serie met de ankerwikkeling. Deze seriewikkeling is opgebouwd uit weinig windingen van dik koperdraad. De specifieke eigenschap van deze motor is dat het toerental omgekeerd evenredig is met het koppel, ofwel hoe lager de belasting hoe sneller het anker zal draaien. Daarom mogen seriemotoren nooit onbelast gebruikt worden, omdat de motor dan op hol zal slaan. De seriemotor wordt toegepast waar hoge aanloopkoppels worden vereist, zoals als tractiemotor in elektrische treinen en trams. Ook de startmotor in de auto is een seriemotor.
Shuntmotor

Bij de shuntmotor staat de bekrachtigingsspoel parallel met de ankerwikkeling. Deze shuntwikkeling is opgebouwd uit veel windingen van dun koperdraad. De eigenschappen van de shuntmotor komen overeen met die van de onafhankelijk bekrachtigde motor. De shuntmotor wordt voornamelijk toegepast in machines die werken met een constant toerental bij wisselende belastingen, zoals hijskranen en liften, alsmede bij aandrijvingen waar het toerental geregeld moet worden.
Compoundmotor
De compoundmotor is een combinatie van de twee bovengenoemde motoren; hij bezit zowel een serie- als een shuntbekrachtigingswikkeling. De eigenschappen van deze motor liggen tussen die van de serie- en de shuntmotor in.
- Gecompounde seriemotor: Sterk serieveld met een zwak shuntveld geeft een motor met een hoog aanloopkoppel zonder het risico dat de motor op hol slaat. Het aanwezige shuntveld voorkomt dit.
- Gecompounde shuntmotor: Sterk shuntveld met een zwak serieveld geeft shuntmotor met een groter aanloopkoppel dan de standaard shuntmotor. Nadeel is dat het toerental afneemt bij toenemende belasting. Daarom wordt bij dit type motor nadat de motor is aangelopen, de seriewindingen kortgesloten.
- Tegengecompounde motor: Sterk shuntveld met een tegengesteld zwak serieveld zorgt dat bij een toenemende belasting het toerental altijd constant blijft.
Vreemd bekrachtigde motor
Bij motoren met onafhankelijke bekrachtiging wordt de bekrachtigingsspoel - die zorgt voor het bekrachtigingsveld - gevoed uit een aparte spanningsbron, zodat deze onafhankelijk van de ankerspanning geregeld kan worden. Omdat het bekrachtigingsveld van deze motor onafhankelijk is van de belasting, zal het toerental bijna constant blijven bij een toenemend koppel. Wel moet ermee rekening gehouden worden dat het toerental zal toenemen (motor versnelt) bij het verzwakken van de bekrachtiging, waarbij de motor op hol zal slaan, als de bekrachtiging wegvalt.
Permanentmagneet motoren
Bij permanentmagneet motoren (PM-motoren) zijn de bekrachtigingsspoelen in de stator vervangen door permanente magneten. Voordeel van deze motoren is dat ze kleiner, lichter, efficiënter en betrouwbaarder zijn dan motoren met een gewikkelde bekrachtiging. Een nadeel is dat er geen regeling van de bekrachtiging mogelijk is. In de praktijk is dat vaak geen probleem omdat deze motoren vooral bij kleine vermogens tot 1 kW worden toegepast.
Voor zwaardere motoren waren in het verleden permanente magneten niet toepasbaar, omdat het moeilijk was geschikte materialen te vinden die de hoge veldsterktes konden vasthouden. Door recente innovaties voor magnetische materialen, zijn nu permanente magneten, zoals neodymiummagneet, beschikbaar waarmee compacte grote gelijkstroommotoren zijn te bouwen zonder veldspoelen.
De PM-motor is een van de meest toegepaste type elektromotoren. Ze worden onder andere toegepast in speelgoed, huishoudelijk en keukenapparatuur, afspeelapparatuur, elektrisch tuingereedschap, etc.
Borstelloze motor
Er zijn ook elektromotoren waarin de commutatie elektronisch geregeld is. Deze borstelloze elektromotoren hebben geen koolborstels, waardoor vonkvorming en slijtage (een probleem bij borstelmotoren) voorkomen wordt. Zo'n motor noemt men ook wel ECM-motor (Electronically Commutated Motor).

Draaistroommotor
Draaistroommotoren zijn elektromotoren die werken op basis van een roterend magnetisch veld (draaiveld) dat door een driefasenstroom in de stator wordt opgewerkt. De constructie van de rotor bepaalt of de motor synchroon draait met het roterend magnetisch veld of asynchroon, waarbij de motor door de aanwezige slip iets langzamer draait.
Driefasige asynchrone motor
Een driefasige asynchrone motor kan bijzonder eenvoudig van constructie zijn doordat de commutator/koolborstel-constructie achterwege kan blijven. De rotor bevat een wikkeling of een kooianker, een stelsel van geleidende staven die aan de uiteinden kortgeloten zijn. Het elektrische vermogen in de rotor door inductie van de stator op de rotor overgedragen. Om deze reden wordt de asynchrone motor ook wel inductiemotor genoemd.
De kooiankermotor (KA-motor) is het type dat verreweg het meest voorkomt. Nadeel van KA-motoren is dat de aanloopstroom een factor acht groter kan zijn dan de nominale stroom. Via een aanloopinrichting kan dit voorkomen worden, zoals een ster-driehoekschakeling, softstarter of een sleepringankermotor (die wel gebruik maakt van sleepringen en koolborstels).
Door middel van een frequentieregelaar kan de snelheid van een draaistroommotor eenvoudig geregeld worden.
Driefasige asynchrone motoren worden vooral in de industrie toegepast omdat hier vaak al een driefasen distributienet aanwezig.
Driefasen synchrone motor
Bij de synchrone draaistroommotor wordt het toerental bepaald door de frequentie van het wisselstroomnet en is onafhankelijk van de belasting. Bij een netfrequentie van 50 Hz is het toerental van de rotor precies 3000 min-1 of 1500 min-1 of 750 min-1 enz. Dit is afhankelijk van het aantal poolparen.
Bij een sychrone motor heeft de rotor een gelijkstroomwikkeling voor de bekrachting. De toevoer van de gelijkstroom gebeurt via sleepringen en borstels.
Het grootste nadeel van deze motor is dat hij niet uit zichzelf kan aanlopen. Daarom moet de rotor eerst op het juiste toerental worden gebracht. Dit kan gedaan worden met een hulpmotor of door de rotor zo te construeren dat de motor asynchroon aanloopt. Is de motor eenmaal op snelheid dan kan de gelijkstroombekrachtiging ingeschakeld worden. De rotor wordt dan automatisch in synchronisme getrokken. Een moderne mogelijkheid is het toepassen van vermogenselektronica, en wel in de vorm van een cycloconverter, waarmee de frequentie geleidelijk wordt opgeregeld van 0 tot 50 Hz. Een groot voordeel van synchrone motoren ten opzichte van asynchrone motoren is dat ze energiezuiniger zijn doordat ze aanzienlijk minder blindstroom uit het elektricteitsnet opnemen (ze kunnen zelfs blindstroom aan het elektriciteitsnet leveren).
Driefasige synchrone motoren worden vooral industrieel toegepast bij grote vermogens en dan met name voor het aandrijven van continu lopende machines, zoals pompen en compressoren.
Reluctantiemotor
Een reluctantiemotor is een speciaal vorm van een synchrone draaistroommotor waarbij het koppel in de rotor uitsluitend door de magnetische weerstand, ook wel reluctantie genoemd, wordt opgewekt en niet door de lorentzkracht, zoals bij bovengenoemde (elektro)magnetisch bekrachtigde motoren. Reluctantiemotoren kunnen tegen lage kosten een hoge vermogensdichtheid leveren, waardoor ze aantrekkelijk zijn voor veel toepassingen.
Wisselstroommotor
Wisselstroomseriemotor
Een speciale uitvoering van de seriemotor is de wisselstroomseriemotor, ook wel universeelmotor genoemd, die zowel op gelijkspanning als op eenfasige wisselspanning werkt. Omdat beide wikkelingen in serie zijn geschakeld zal de stroomrichting in zowel het stator- als het rotorveld gelijktijdig van richting veranderen. Ondanks de continu wisselende richting van de wisselstroom blijft de draairichting van de motor dezelfde. Deze motor wordt in veel huishoudelijke apparaten (stofzuigers, keukenmachines) en handgereedschappen (boormachines, haakse slijpers, enz.) gebruikt. Als basisbelasting wordt vaak gebruikgemaakt van een ventilator, die tevens voor koeling zorgt.
Eenfasige asynchrone motor
Bij enkelfasige asynchrone motoren wordt het draaiveld opgewekt in de motor zelf, vaak in combinatie met hulpwikkeling en condensatoren. Daarnaast bestaan er speciale speciale uitvoeringen zoals de spleetpoolmotor en de repulsiemotor.
Eenfasige asynchrone motoren met vaste condensator (in- extern niet uitschakelbaar) voor vermogens tot 1 kW worden op zeer grote schaal toegepast in allerlei huishoudelijke apparaten en kantoormachines, bijvoorbeeld wasmachines, koelkasten, vriezers, ventilatoren, etc.
Eenfasige synchrone motor
Bij de eenfasesynchroonmotor wordt, net als bij de synchrone draaistroommotor, het toerental bepaald door de frequentie van het wisselstroomnet en is onafhankelijk van de belasting. Net als bij de eenfase asynchrone motor heeft deze motor maar één spoel die aan een eenfasenet wordt aangesloten. Doormiddel van hulpwikkeling en condensatoren kan een roterend veld worden gemaakt. De rotor bestaat vaak uit een permanente magneet.
Eenfasesynchroonmotoren worden voor kleine vermogens gebruikt daar waar een constant toerental is vereist, zoals uurwerken, schakelklokken (tijdschakelaars), platenspelers, meetinstrumenten en in de regeltechniek. Ook stappenmotoren zijn een speciale uitvoering van een eenfasige synchrone motor.
Toepassingen


De elektromotor komt in zo veel apparaten voor en is zo vanzelfsprekend geworden, dat men er niet meer bij stilstaat dat er een elektromotor in zit of dat het woord elektromotor zelfs geheel ontbreekt in de beschrijving van een apparaat. Voorbeelden:
- huishoudelijke apparaten: wasmachine, wasdroger, koelkast, stofzuiger, naaimachine, scheerapparaat, elektrische tandenborstel, haardroger, ventilator, sommige klokken
- keukenapparatuur: keukenmachine, citruspers, handmixer, blender, staafmixer, koffiemolen, afzuigkap, magnetron, ijsmachine
- klusgereedschap: boormachine, schaafmachine, schuurmachine, decoupeerzaag
- tuingereedschap: bladblazer, kettingzaag, heggenschaar, verticuteermachine, grasmaaier, cirkelmaaier
- elektronica: computer, harde schijf, printers (inktjetprinter, laserprinter), flatbedscanner, kopieerapparaat, fax, elektrische typemachine
- speelgoed: elektrische modeltrein, modelvliegtuig, modelhelikopter, robot, drone
- audiovisuele apparatuur: grammofoon (platenspeler), jukebox, cd-speler, videorecorder, cassetterecorder, fotocamera, filmcamera, walkman
- in openbare gebouwen (winkels, kantoren, ziekenhuizen, bibliotheken): automatische schuifdeur, draaideur, lift, roltrap, boenmachine
- woningen: mechanische ventilatie, traplift, garagedeur, zonnescherm, rolluiken, hekken en poorten.
Verschillende beroepen hebben hun eigen apparatuur: bakker (broodsnijmachine, kneedmachine), slager (vleeswarensnijmachine, gehaktmolen), tandarts (tandartsboor), scharenslijper (elektrische slijpmachine). In de medische sector worden gebruikt: beademingsapparaat, hart-longmachine, slangenpomp, insulinepomp, centrifuge.
Daarnaast worden veel vervoersmiddelen aangedreven door elektromotoren, bijvoorbeeld de trein, tram, elektrische auto, elektrische scooter en motor, elektrische scootmobiel en rolstoel, elektrische fiets, Segway, hoverboard en schepen zoals fluisterboot, onderzeeboot, elektrische speedboot.[3] Ook zijn er experimentele auto's, autobussen en vliegtuigen met een elektromotor die gevoed wordt door brandstofcellen. De startmotor van een auto met verbrandingsmotor (benzine/diesel) is ook een elektromotor en wordt gebruikt om de verbrandingsmotor te starten. De moderne luxe auto is uitgerust met een stuk of 15 elektromotoren: startmotor, voor het open en sluiten van de vier ramen, het bijstellen en in/uitklappen van de twee buitenspiegels, 2 of 3 ruitenwissers, ruitensproeierpompje, elektrische stuurbekrachtiging, airco en cd-speler.
Ook in de industrie wordt op grote schaal gebruikgemaakt van, voornamelijk 3-fasemotoren voor de aandrijving van pompen, compressoren, lopende banden, kranen en andere hijstoestellen, roerwerken in tanks, luchtverversingsinstallaties, verbrandingslucht- en rookgastransport e.d. Vooral een zware elektromotor genereert wanneer zij aangezet wordt, een grote aanloopstroom. Deze is erg belastend voor het elektriciteitsnet. Soms veroorzaakt dit zelfs een momentane tempering van de elektrische omgevingsverlichting. Om deze “pieken” te voorkomen, dan wel af te vlakken, wordt zo’n motor gestart met een aanloopinrichting.
- ↑ (en) The Development of the Electric Motor The Spark Museum (Bezocht 25 oktober 2009). Gearchiveerd op 2 juni 2023.
- ↑ (en) Artikel over berekening motor-temperatuur
- ↑ Nederlands bedrijf lanceert luxe elektrische speedboot geraadpleegd 27 februari 2017
Externe links