Bondgraaf
Een bondgraaf is een grafische beschrijving van een fysisch dynamisch systeem die bestaat uit de componenten van het systeem verbonden door pijlen, de 'bonds', die de energie-uitwisseling voortellen tussen de verschillende componenten. Een bondgraaf is vergelijkbaar met een blokschema met als verschil dat de pijlen in een blokschema de uitwisseling van informatie voorstellen. Een bondgraaf laat dus de energiestromen zien in het systeem. Dit maakt bondgrafen uitstekend geschikt voor de analyse van technische systemen waarin meerdere fysische domeinen vertegenwoordigd zijn.
In een bondgraaf worden de verschillende componenten voorgesteld met letters. De letters geven aan van welk type het element is (bron, buffer, dissipatie, transformatie etc.). De verbindingen tussen de componenten worden weergegeven met halve pijlen. Met behulp van de bondgraaf-techniek is het mogelijk op een snelle manier, grafisch een model te maken van een fysisch systeem en daarna dit model om te zetten naar wiskundige vergelijkingen.
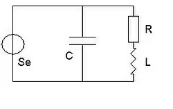
Een voorbeeld van een elektrisch netwerk en de weergave als bondgraaf:
Bond
Om de stroomrichting van het positieve vermogen aan te geven wordt een halve pijl gebruikt.
Effort en Flow
De energiestroom langs een bond wordt altijd door twee variabelen gekarakteriseerd, waarvan het product een vermogen is. Deze variabelen worden volgens de bondgraafnotatie effort (e) en flow (f) genoemd. Zo een effort en een flow vormen een combinatie die kenmerkend is voor een fysisch domein. Zo zijn er onder andere de combinatie spanning en stroom voor een elektrisch netwerk en de combinatie kracht en snelheid voor een mechanisch systeem.
| Domein | e, effort | f, flow |
|---|---|---|
| Mechanisch (translatie) | F, kracht [N] | v, snelheid [m/s] |
| Mechanisch (rotatie) | M, moment [Nm] | ω, hoeksnelheid [rad/s] |
| Elektromagnetisch | U, spanning [V] | i, stroom [A] |
| Hydraulisch | p, druk [Pa] | Φ v, debiet [m3/s] |
| Thermisch | T, temperatuur [K] | Φ w, warmtestroom [W] |
| Thermo-Dynamisch | T, temperatuur [K] | S, entropiestroom [WK−1] |
| Akoestisch | p, druk [Nm−2] | Φ w, volumesnelheid [m3s−1] |
0- en 1-juncties
Juncties koppelen elementen van een fysisch systeem op een vermogenscontinue manier: er wordt geen energie gedissipeerd of opgeslagen. In de juncties geldt dat de som van effort of flow nul moet zijn. Ingaande pijlen zijn positief en uitgaande pijlen negatief. Dit komt overeen met de stroomwet van Kirchhoff voor elektrische netwerken. Juncties zijn vergelijkbaar met serie of parallel schakelingen.
Een 0-junctie komt overeen met een parallel-schakeling (p) en een 1-junctie met een serie-schakeling (s). Daarom worden ze ook wel P of S juncties genoemd.
0-junctie
- Alle efforts van de aangesloten bonds zijn gelijk.
- De som van alle flows is nul.
- Eén bond mag de effort-in causaliteit hebben. De rest moet een effort-out causaliteit hebben
1-junctie
- Alle flows van de aangesloten bonds zijn gelijk.
- De som van alle efforts is nul.
- Eén bond mag de flow-out causaliteit hebben. De rest moet een flow-in causaliteit hebben
Causaliteit
De causaliteit geeft de richting van de effort weer in een bond. Dit wordt aangegeven met een klein streepje aan het begin (effort er uit en flow er in) of aan het eind van een bond (effort er in flow er uit). De keuze van de signaalrichting, ook wel causaliteit genoemd, hangt af van het betreffende element dat aan de bond aangesloten is.
Standaardelementen
Bronnen
| Sf-element | ||||||
|---|---|---|---|---|---|---|
| causaliteit | bondgraaf | alg. verg | mechanisch (hoeksnelheid) | elektro-magnetisch (stroombron) | ||
| flow-out | ||||||
| Se-element | ||||||
|---|---|---|---|---|---|---|
| causaliteit | bondgraaf | alg. verg | mechanisch (koppel) | elektro-magnetisch (spanningsbron) | ||
| effort-out | ||||||
Buffers
In dynamische systemen kan energie opgeslagen worden. Er zijn twee soorten energie opslag:
C-buffers
- Flow opslag
| C-buffer | ||||||
|---|---|---|---|---|---|---|
| caualiteit | bondgraaf | alg. verg | mechanisch (rotatie veer) | elektro-magnetisch (condensator) | ||
| flow-out | ||||||
| effort-out | ||||||
I-buffer
- Effort opslag
| I-buffer | ||||||
|---|---|---|---|---|---|---|
| causaliteit | bondgraaf | alg. verg | mechanisch (massatraagheid) | elektro-magnetisch (spoel) | ||
| flow-out | ||||||
| effort-out | ||||||
Weerstanden (R-elementen)
R-element zijn dissiperende elementen. Ze zetten energie om in warmte.
| R-element | ||||||
|---|---|---|---|---|---|---|
| caualiteit | bondgraaf | alg. verg | mechanisch | elektro-magnetisch | hydaulisch | |
| flow-out | ||||||
| effort-out | ||||||
Transformatoren
Door een transformator wordt effort in een domein omgevormd naar een effort in een ander domein.
| TF-element | ||||||
|---|---|---|---|---|---|---|
| causaliteit | bondgraaf | alg. verg | ||||
| flow-out | , | |||||
| effort-out | , | |||||
Gyratoren
Door een gyrator wordt effort in een domein omgezet naar een flow in het andere domein.
| GY-element | ||||||
|---|---|---|---|---|---|---|
| caualiteit | bondgraaf | alg. verg | ||||
| flow-out | ||||||
| effort-out | ||||||
Software betaald
- Nannenberg, ir. S.T. (1987) Bondgraaf techniek universele modelvorming en simulatie van technische systemen. Overberg: Delta Press bv., ISBN 90-6674-1236
- Bondgraphs; Arun K. Samantaray
- C. Kleijn, T.J.A. de Vries
- Introduction to Physical Systems Modelling with Bond Graphs; Jan F. Broenink Universiteit Twente
- Jan Mooij Bondgrafen Versie 7 november 2009