Aardlekschakelaar
Een aardlekschakelaar (afgekort RCD, van residual current device; ook ALS), ook wel verliesstroomschakelaar, differentieelschakelaar of aardwachter genoemd, is een automatisch werkende schakelaar die een elektrische installatie spanningsloos maakt zodra een lekstroom vanaf een bepaalde grootte optreedt. In veel huis- en kantoorinstallaties bevinden zich in de groepenkast een of meer aardlekschakelaars.
Oorsprong
De aardlekschakelaar werd al in 1903 door Schuckert onder de noemer Summenstromschaltung zur Erdschlußerfassung gepatenteerd (DRP-Nr. 160.069).[1] K. Kuhlmann, werkzaam bij AEG, beschreef een methode om de aardlekstroom in het Berlijnse netwerk te meten. Voor de techniek waarop de huidige aardlekschakelaar is gebaseerd, werd in 1908 door de Amerikaan Lloyd Nicholsen octrooi aangevraagd.[2] Dit werd in 1910 toegekend.
Doel
Aardlekschakelaars komen met name in huisinstallaties voor. Het doel is bescherming te bieden tegen elektrocutie. Een aardlekschakelaar controleert de totale stroomsterkte via de fasedraad of fasedraden en de nuldraad. Volgens de eerste wet van Kirchhoff behoort de som nul te zijn. Een eventuele verschilstroom zou door de veiligheidsaarde terug moeten lopen, maar bij niet-geaarde toestellen, of aan een niet-geaarde wandcontactdoos aangesloten geaarde toestellen, zou een isolatiedefect een levensgevaarlijke stroomdoorgang door het lichaam van een mens of dier ten gevolge kunnen hebben. De aardlekbeveiliging reageert hierop door de stroomtoevoer bij een dergelijk lek af te sluiten.
De aardlekschakelaar biedt geen enkele bescherming wanneer een niet geaard persoon contact maakt met zowel de nul- als de fasedraad; alleen wanneer de stroom naar aarde weglekt, zal de schakelaar de stroom onderbreken.
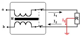
Werking
Als de totale stroom ongelijk is aan nul, is er sprake van een lekstroom. Deze foutstroom kan ontstaan als de behuizing van een toestel, door een defect, onverhoopt onder elektrische spanning komt te staan. Bij geaarde toestellen vloeit de lekstroom via de aarding weg. Hierdoor zal de aardlekschakelaar bij overschrijding van de aanspreekstroom in werking treden, waardoor de betreffende groepen spanningsloos worden. Het moment van aanspreken ligt tussen de 50 en 100% van de aanspreekstroom. Met andere woorden: een aardlekschakelaar van 30 mA schakelt af tussen 15 en 30 mA. Dit dient tevens binnen een bepaalde tijd te gebeuren. Installateurs hebben hiervoor speciale installatietesters. Bij een ongeaard, onder spanning staand toestel, zal bij aanraking de elektrische stroom door het lichaam wegvloeien naar aarde. Ook hier zal de aardlekschakelaar afschakelen voordat de situatie levensbedreigend wordt.

In een aardlekschakelaar zit een ringkern waarop de fase(s) en de nul een wikkeling hebben en een wikkeling voor de meetspoel. Deze drie (fase, nul, meetspoel) of vijf (drie fases, nul, meetspoel) wikkelingen zijn in dezelfde richting gewikkeld. Wanneer de totale stroom nul is, zal de kern niet worden gemagnetiseerd en zal er geen wisselstroom in de meetspoel lopen. Als ergens in de groep een lekstroom naar aarde loopt, is de totale stroom niet nul; er ontstaat inductie waardoor er uit de meetspoel wisselstroom komt die een relais bekrachtigt, zodat de schakelaar afschakelt.
Na gebruik moet de schakelaar met de hand weer gesloten worden; dit kan alleen als de lekstroom op dat moment niet meer aanwezig is.
De testknop forceert een lekstroom ter grootte van de nominale aardlekstroom van de RCD. Voor het uitvoeren van een eventuele test dienen de daarop aangesloten groepen afgeschakeld te worden, omdat eventuele lekstromen van de groepen het testen kunnen beïnvloeden. De testknop van de aardlekschakelaar of aardlekautomaat wordt gewoonlijk aangegeven met de letter T.
Het gebruik van de testknop heeft tot gevolg dat de aangesloten groepen - ook als ze nog niet waren afgeschakeld - een ogenblik spanningsloos worden. In veel woningen staan computers en elektrische klokken, die men niet graag uitschakelt. Dit kan een reden zijn om de testknop te verwaarlozen.
Wanneer een aardlekschakelaar wordt gecombineerd met een installatieautomaat in dezelfde behuizing, spreekt men van een aardlekautomaat.
Door de opbouw met een spoel is de aardlekschakelaar zoals hier beschreven met name geschikt voor woningen. Industriële componenten, zoals een frequentieregelaar of netfilter, kunnen de werking van dit type aardlekschakelaar beïnvloeden, waardoor de aardlekschakelaar te snel de stroom uitschakelt of zelfs nooit de stroom uitschakelt, ook niet bij een aardlek, dit wordt ook wel aardlekschakelaar type AC genoemd. Andere types aardlekschakelaars (type A en B) hebben een printje met elektrotechnische componenten waardoor ze ook andere soorten lekstromen kunnen detecteren dan wisselstroom.
- type AC
- detecteert alleen zuiver sinusvormige (lek)stromen
- type A
- standaard toegepaste RCD voor al dan niet sinusvormige lekstromen
- type B
- detecteert naast wisselstroom- ook gelijkstroomlekkage - toegepast bij zonnepaneelsystemen en oplaadsystemen voor elektrische voertuigen.
Aardlekschakelaars zijn onmisbaar bij het gebruik van elektriciteit in vochtige ruimtes. Daarom werd in het verleden alles behalve de woonkamer en de slaapkamer(s) achter één aardlekschakelaar gezet, zodat bij een aardfout er nog altijd licht was. Vóór de zeventiger jaren werden helemaal geen aardlekschakelaars toegepast.
Reglementering
Nederland
De toepassing van aardlekschakelaars in nieuwe en gewijzigde huisinstallaties is sinds 1975 in Nederland volgens NEN 1010 verplicht. Ze worden veelal in de groepenkast opgenomen.
Sinds 1 september 2005 is het in Nederland verplicht om in woningen waarvoor de bouwvergunning op of na deze datum is afgegeven, uitsluitend aardlekschakelaars toe te passen met een aanspreekstroom van maximaal 30 mA. Dit voorschrift is onderdeel van de NEN 1010, de Nederlandse norm voor elektrische installaties in woningen en gebouwen.
Daarnaast is het verplicht dat er minimaal twee aardlekschakelaars worden geïnstalleerd zodra een woninginstallatie meer dan één eindgroep bevat. Deze verdeling is bedoeld om bij een storing in één deel van de installatie, zoals bij het aanspreken van een aardlekschakelaar, te voorkomen dat de gehele lichtinstallatie wordt uitgeschakeld. Zo blijft bijvoorbeeld verlichting in een ander deel van de woning beschikbaar.
De norm schrijft verder voor dat per aardlekschakelaar maximaal vier eindgroepen mogen worden aangesloten. Dit zorgt ervoor dat bij een storing slechts een beperkt aantal groepen wordt uitgeschakeld. Een tweepolige kookgroep (ook wel tweefasekookgroep genoemd), die vaak gebruikt wordt voor elektrische kookplaten, telt hierbij als één eindgroep.
Deze eisen dragen bij aan een verhoogde elektrische veiligheid in woningen, doordat ze het risico op gevaarlijke situaties bij isolatiefouten of lekstromen aanzienlijk beperken.
Het aansluiten van enkelfasige eindgroepen op een driefasige (vierpolige) aardlekschakelaar van 30 mA wordt afgeraden.[3] De reden is dat lekstromen van de verschillende eindgroepen op verschillende fases elkaar kunnen beïnvloeden waardoor een goede werking van de aardlekbeveiliging niet kan worden gegarandeerd.
Aardlekschakelaars met IΔN = 500 mA mogen in huisinstallaties niet meer worden toegepast, maar komen in oudere installaties nog wel voor. Ze hadden als doel om te voorkomen dat bij een slechte aarding deze bij een lekstroom spanning zou voeren, maar doordat de aanspreekwaarde 0,5 A is bieden ze geen bescherming tegen indirecte aanraking. Ook aardlekschakelaars van het type AC zijn niet meer toegestaan voor nieuwbouw en renovaties. De reden is dat dit type alleen goed werkt bij zuiver sinusvormige stromen. Hedendaagse apparatuur zorgt vaak voor netvervuiling in de vorm van vervormde sinusvormige stromen.
Eindgroepen die uitsluitend toestellen voeden die vast zijn aangesloten, dat wil zeggen niet door middel van een wandcontactdoos, behoeven niet te zijn beveiligd door 30 mA aardlekschakelaars, mits de weerstand naar de aardelektrode laag genoeg is. Voor een woning is dat ongeveer 1,5 à 2 ohm.
Tegenwoordig moet in Nederland volgens de huidige NEN 1010 alles in huis zich achter een aardlekschakelaar bevinden. Bovendien zijn tegenwoordig minimaal twee aardlekschakelaars verplicht om een lichtvoorziening na een aardfout mogelijk te maken. Ten slotte moeten alle nieuwe installaties voorzien zijn van een hoofdschakelaar.
België
Het AREI moet gevolgd worden. Dit houdt onder andere in dat een algemene aardlekschakelaar van maximaal 300 mA type A geïnstalleerd moet zijn. Voor vochtige ruimten zoals badkamers, of toestellen aanwezig in deze ruimten, is een aardlekschakelaar van 30 mA voorgeschreven. Ook de volgende vaste toestellen, die waterdamp produceren of water gebruiken, horen achter een aardlekschakelaar van 30 mA: wasmachine, droogkast en vaatwasser. Over centrale verwarming, boilers en ventilatie wordt niet gerept in het AREI, maar aangezien die ook met water(damp) in contact komen, kunnen deze het beste ook achter een aardlekschakelaar van 30 mA worden geplaatst.
Zie ook
Externe link
- patent voor Circuit-controlling Apparatus, in 1910 toegekend aan Lloyd Nicholson (via www.google.com/patents)
- Uitleg over aardlekschakelaars en de regelgeving sinds 2005, via www.elektrakoning.nl
- ↑ Schossig, Walter: Geschichte der Schutz- und Leittechnik . Vortrag anläßlich des Internmationalen ETG-Kongresses 2001 in Nürnberg.
- ↑ Schossig, Walter: Die Geschichte der Elektrizität. In: VDI-Nachrichten. 1/2008. (S.22 ff)
- ↑ NEN 1010:2015, wijzigingsblad C1